Bottom Load Large Capacity Dry Dil Fridge

Resource Type: Ultra-Low Temperature Device
Facility: SNS/HFIR
Details: Manufacturer:Oxford_Instruments , Model:DR200
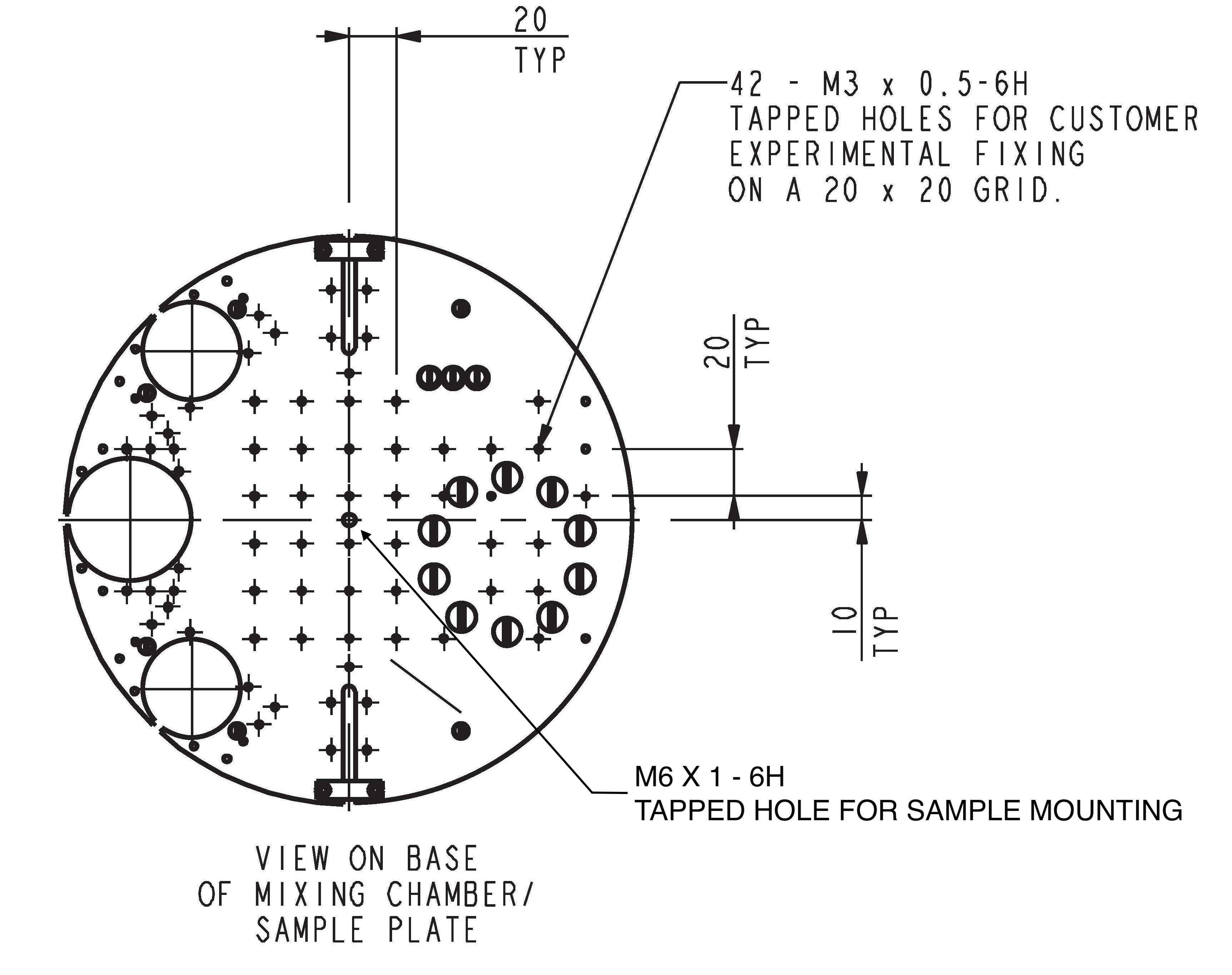
Attachments: Generic Bottom Loading User Drawing, MC Plate Drawing
Facility: SNS/HFIR
Details: Manufacturer:Oxford_Instruments , Model:DR200
Attachments: Generic Bottom Loading User Drawing, MC Plate Drawing


